Geen producten gevonden
Levering op rekening of betaal veilig online
Originele producten met volledige fabrieksgarantie
Hulp nodig? vraag het direct aan onze specialisten
Al onze producten zijn TüV gecertificeerd
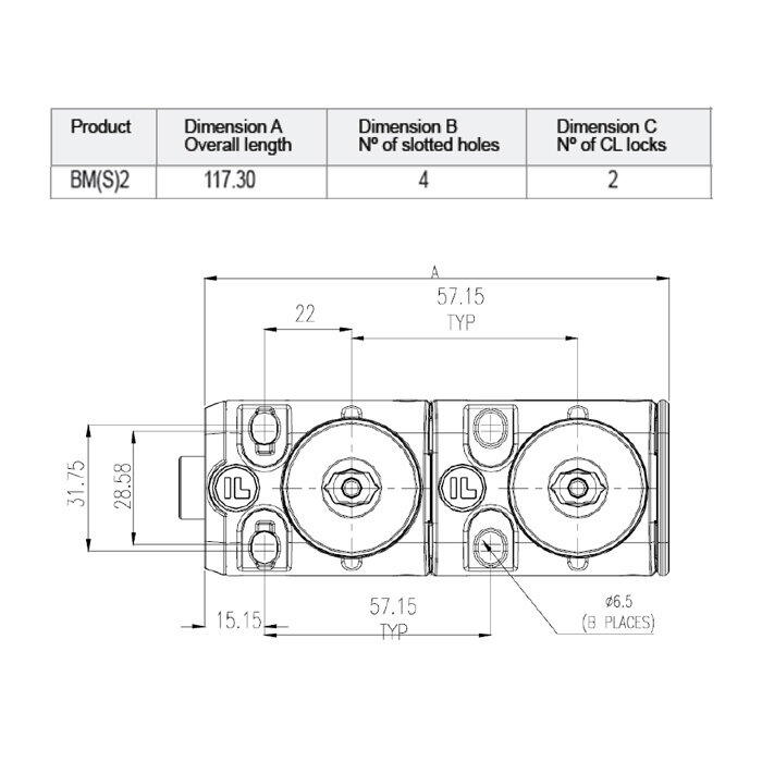
Art: BM2-2-0-CLIN-A-006-022
Fortress InterlocksGecodeerd stalen penslot met 2 sloten
Toon alle:
Sleuteltransfersysteem,Pensloten
Levering op rekening of betaal veilig online
Originele producten met volledige fabrieksgarantie
Hulp nodig? vraag het direct aan onze specialisten
Al onze producten zijn TüV gecertificeerd
Beschrijving
- Geschikt voor het mechanisch vergrendelen van werkschakelaars en afsluiters.
- Sequentie A: 1e sleutel vrij - 2e sleutel gevangen = pen geschoten.
Sequentie B: 1e sleutel vrij - 2e sleutel vrij = pen geschoten. - Zamac (Zink-Aluminium-Legierung) gehause mit Edelstahl Kopf und Bolzen.
- Diameter pen: 16mm.
- Pen voorzien van getapt draad aan binnenzijde.
- Mag gebruikt worden in Ex zone 1, 2, 21 en 22 (Ex II GD d IIB T6/5/4).
- RVS veerbelaste stofkappen optioneel verkrijgbaar.
- 200.000 unieke sleutelcodes leverbaar.
* Kosteloos voorzien van persoonlijke laser graveringen op sleutel en slot.
Bij gelijke gravering is de sleutelcode identiek.
![]() | ![]() |
Deze producten hebben nieuwe artikelnummers, voorheen hadden deze producten de volgende artikelnummers:
BM2-CLIN-A
BM2-CLIN-B
BM2-CLIS-A
BM2-CLIS-B
BM2-CLIN-A-CLK-SUS
BM2-CLIN-B-CLK-SUS
BM2-CLIS-A-CLK-SUS
BM2-CLIS-B-CLK-SUS
BM2-CLIN-A-2CLK-SUS
BM2-CLIN-B-2CLK-SUS
BM2-CLIS-A-2CLK-SUS
BM2-CLIS-B-2CLK-SUS
Specificaties
- Merk: Fortress Interlocks
- Artikelnummer: BM2-2-0-CLIN-A-006-022
- Type: Penslot
- Serie: mGard
- CE-markering: Machinerichtlijn 2006/95/EG
- UL: UL 508 Industrial applicaties
- Spanning: -
- Magneetspoelspanning: -
- Contact opties: -
- Behuizing: Zamac en RVS
- Kabel kleur: Donkergrijs
- Status LED: -
- Temperatuurbereik: -10°C tot +80 °C
- IP waarde: -
- MTTFd: > 100 jaar
- B10d: 5.000.000
- Explosieveilig: Ex zone 1, 2, 21 en 22 (Ex II GD d IIB T6/5/4)
- Aansluiting: -
- Werking: Pen geschoten - sleutel vrij
- Trekkracht: -
- Mech. levensduur: 1.000.000
- Max. schakelstroom: -
- Overbruggingssleutel: -
Kunnen wij u helpen?
Gerelateerde producten










